Texas Instruments DLPC3437CZEZ DLP Display Controllers
Texas Instruments DLPC3437CZEZ DLP® Display Controllers are part of the DLP3310 chipset, ensuring a small form factor, low-power, and high-resolution full HD displays. The device allows reliable operation of the DLP3310 digital micromirror device (DMD). The display controller supports image sizes up to 1080p and a low-power DMD interface with training. Pixel data processing from the IntelliBright™ Suite of image processing algorithms supports content adaptive illumination control and brightness boost in a local area.Features
- Compatible with the DLPA3000 PMIC/LED driver
- Auto DMD parking at power down
- Embedded frame memory (eDRAM)
- Display controller for DLP3310 (.33 1080p) TRP DMD
- Dedicated 2xDLPC3437 controller to drive DLP3310 DMD
- Supports input image sizes up to 1080p
- Low-power DMD interface with interface training
- 24-Bit, Input pixel interface support:
- Parallel interface
- Pixel clock up to 150MHz
- Dual FPD-link input pixel interface support:
- LVDS Interface
- Effective pixel clock up to 150MHz
- Pixel data processing:
- IntelliBright™ suite of image processing algorithms
- Content adaptive illumination control
- Local area brightness boost
- Color coordinate adjustment
- Programmable degamma
- Active power management processing
- IntelliBright™ suite of image processing algorithms
- Package:
- 201-Pin, 13mm × 13mm, 0.8mm Pitch, NFBGA
- External flash support
- System features:
- I2C Control of device configuration
- Programmable splash screens
- Programmable LED current control
- One frame latency
Applications
- Mobile smart TVs
- Screenless TVs
- Gaming displays
- Digital signage
- Wearable displays
- Pico projectors
- Interactive displays
- Ultra mobile displays
- Smart home displays
- 3D Machine vision
- 3D Printers
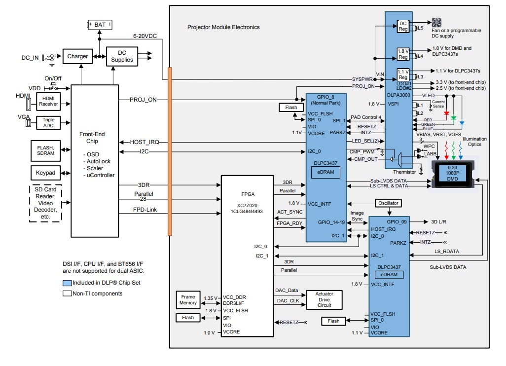
Block Diagram
Đã phát hành: 2018-08-08
| Đã cập nhật: 2023-01-31
