Texas Instruments DRV81008-Q1 8-Channel Low-Side Driver
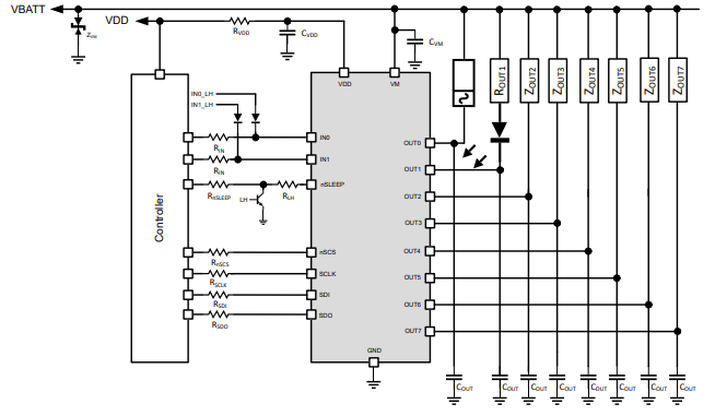
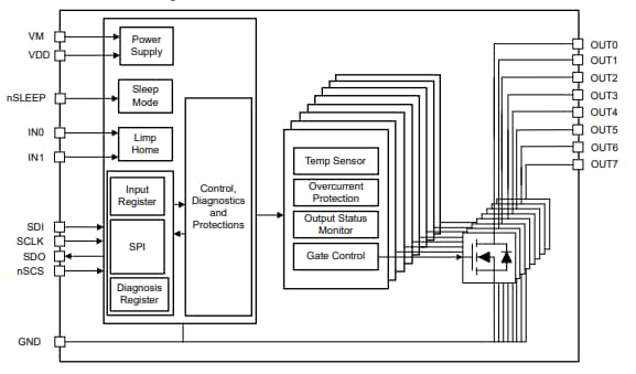
Texas Instruments DRV81008-Q1 8-Channel Low-Side Driver supports 330mA current per output when all eight channels are ON simultaneously. This driver also supports limp home mode for fail-safe activation. The DRV81008-Q1 driver consists of two parallel inputs with mapping functionality. This driver provides load diagnosis through open load (in OFF state) and short circuit detection. The DRV81008-Q1 driver features a 42V minimum drain to source clamping voltage, a 16-bit SPI interface for diagnosis, integrated reverse battery protection, and Electrostatic Discharge (ESD) protection. This driver is qualified for automotive applications. The DRV81008-Q1 driver is used in applications such as HVAC control, Zone Control Modules (ZCMs), Vehicle Control Units (VCUs), and pneumatic valves.Features
- 3V to 40V analog supply voltage:
- Cranking capability down to 3V
- Supports LV124 automotive standard
- 42V minimum drain to source clamping voltage
- 2 parallel inputs with mapping functionality
- 700mΩ typical RDS(ON) at 12V, 25°C
- 330mA current per output at 85°C, with all channels ON
- Supports multiple protection functions:
- Integrated reverse battery protection
- Overcurrent latch OFF
- Thermal shutdown latch OFF
- Short circuit to ground and battery protection
- Stable behavior at undervoltage conditions
- Loss of battery and loss of ground protection
- Electrostatic Discharge (ESD) protection
- 3V to 5.5V digital supply voltage:
- Compatible with 3.3V and 5V microcontrollers
- 16-bit SPI interface for control and diagnosis:
- Daisy chain capability
- Compatible with 8-bit devices
- Supports diagnostic functions:
- Diagnostic information through SPI register
- Over load detection in the ON state
- Open load detection in the OFF state
- Input and output status monitor
Applications
- Zone Control Modules (ZCMs)
- HVAC control
- Automotive Body Control Modules (BCMs)
- Automotive lighting
- Vehicle Control Units (VCUs)
- Programmable Logic Controllers (PLCs)
- Pneumatic valves
- General-purpose relay drivers
- Gasoline and diesel engines
Functional Block Diagram
Application Schematic Diagram
Additional Resource
Đã phát hành: 2025-01-21
| Đã cập nhật: 2025-05-06
