Texas Instruments INA351 Instrumentation Amplifier

Texas Instruments INA351 Instrumentation Amplifier is a selectable-gain instrumentation amplifier with an integrated reference buffer. It offers four gain options across INA351ABS and INA351CDS variants in small packages. The INA351CDS has gain options of 30 or 50, and INA351ABS has gain options of 10 or 20. These gain options can be selected by toggling the gain select (GS) pin. The INA351 is excellent for bridge-type sensing and differential to single-ended conversion applications.

Built with precision-matched integrated resistors, INA351 saves on BOM costs, board space, and pick-and-place machine handling costs by removing the need for precise or closely-matched external resistors. The INA351 can interface directly to low-speed, 10-bit to 14-bit analog-to-digital converters (ADC) and is an excellent choice for replacing discrete implementation of instrumentation amplifiers built with commodity amplifiers and discrete resistors.

Designed with the three-amplifier architecture, INA351 is optimized for delivering performance. The device achieves 86dB of minimum CMRR and an accurate 0.1% of maximum gain error, along with 1.3mV of maximum offset across all gain options, while consuming just 135µA of maximum quiescent current. The Texas Instruments INA351 has an integrated shutdown option to turn off the amplifier when idle for additional power savings in battery-powered applications.

Features

  • Designed for size, cost, and power-conscious applications
  • Selectable gain options with integrated reference buffer
    • G = 10 or G = 20 (INA351ABS)
    • G = 30 or G = 50 (INA351CDS)
  • Space-saving ultra-small package options
    • 10-pin X2QFN (RUG) – 3mm2
    • 8-pin WSON (DSG) – 4mm2
    • 8-pin SOT23-THN (DDF) – 4.64mm2
  • Optimized performance for 10-bit to 14-bit systems
    • CMRR: 95dB (typ.) across all gains
    • Offset voltage: 0.2mV (typ.) across all gains
    • Gain error (typ.)
      • 0.015% for G = 10, G = 50
      • 0.020% for G = 20, G = 30
  • 100kHz for G = 10 (typ.) bandwidth
  • Drives 500pF with less than 20% overshoot (typ.)
  • 110µA (typ.) optimized quiescent current
  • Shutdown option for power-conscious applications
  • 1.8V (±0.9V) to 5.5V (±2.75V) supply range
  • –40°C to 125°C specified temperature range

Applications

  • Bridge network sensing
  • Differential to single-ended conversion
  • Weigh scale
  • Analog input module
  • Flow transmitter
  • Wearable fitness and activity monitor
  • Blood glucose monitor
  • Pressure and temperature sensing

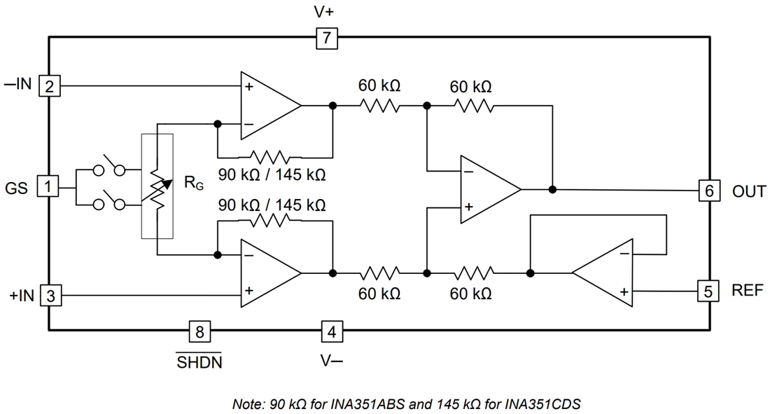
Functional Block Diagram

Block Diagram - Texas Instruments INA351 Instrumentation Amplifier
Đã phát hành: 2023-01-17 | Đã cập nhật: 2023-11-28