Texas Instruments INA851 Fully Differential Instrumentation Amps
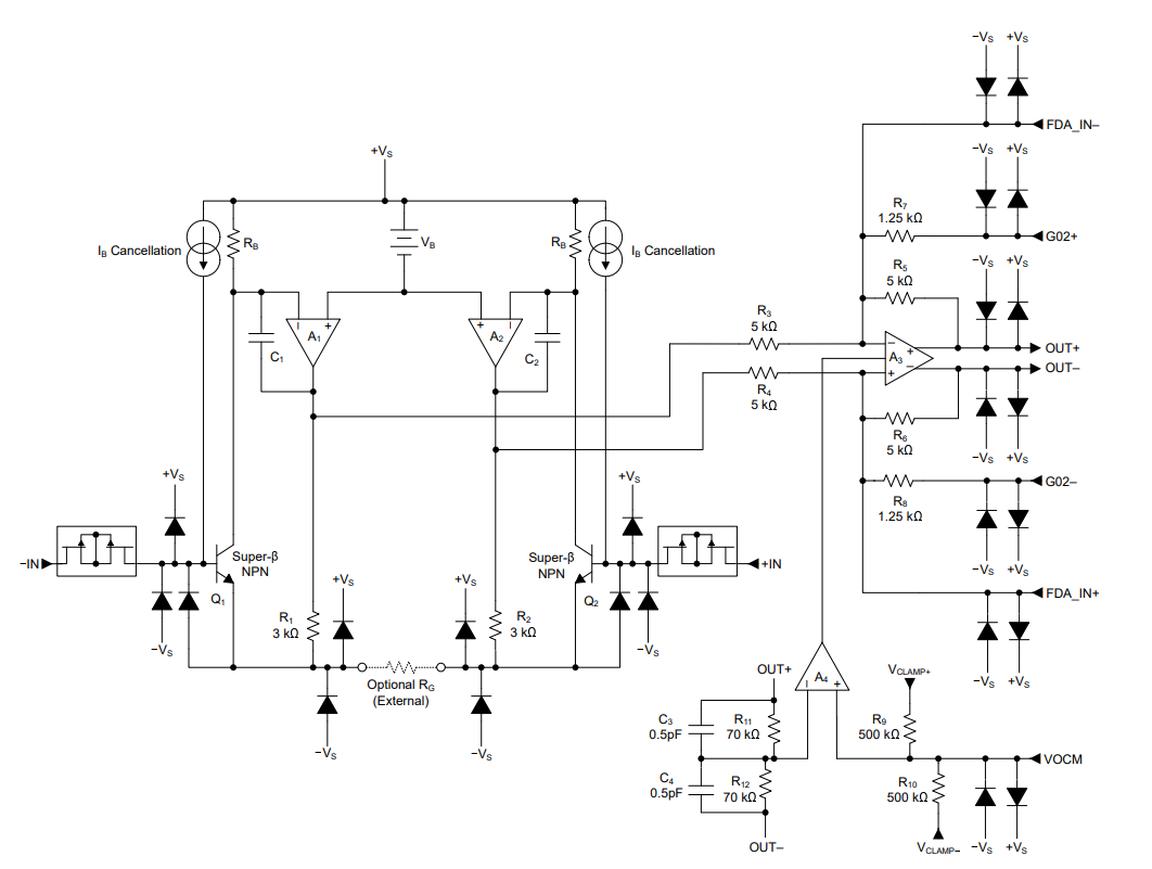
Texas Instruments INA851 Fully Differential Instrumentation Amplifiers are high-precision instrumentation amplifiers with fully differential outputs. The INA851 is optimized to drive modern high-performance analog-to-digital converters (ADCs) inputs with fully differential inputs. The amps provide an extensive, single-supply, or dual-supply range. The device's output stage gain can be set to either 0.2 or 1 by shorting or floating two pins. A single external resistor sets any input stage gain from 1 to 10,000.The TI INA851 fully differential instrumentation amplifiers deliver very-low input bias current and low input-referred current noise due to super-beta input transistors. The devices feature a state-of-the-art manufacturing process providing exceptionally low voltage noise, input offset voltage, and offset voltage drift. Additional circuitry protects the INA851 inputs against overvoltage up to ±40V beyond the power-supply voltages. Furthermore, the device outputs feature built-in clamping circuitry to protect the ADC or downstream device against overdrive damage.
The INA851 is ideal for operation from either an 8V minimum single or ±4V dual supply and a maximum of 36V single or ±18V dual supply.
Features
- Gain programmable from G = 0.2 to 10,000 by using an external resistor
- Fully differential outputs with integrated clamping
- 10µV (typ), 35µV (max) Low offset voltage
- 0.1µV/°C (typ), 0.3µV/°C (max) Low offset drift
- 5nA (typ) Low input bias current
- 3.2nV/√Hz, 0.8pA/√Hz Input stage noise
- 22MHz at G = 0.2, 15MHz at G = 1 Wide bandwidth
- 106dB (min) at G = 10, 120dB (min) at 100 ≤ G ≤ 1000 Common-mode rejection
- 110dB (min) at G = 1 Power supply rejection
- 6mA (typ) Supply current
- Input overvoltage protection to ±40V beyond supplies
- Supply range:
- 8V to 36V Single supply
- ±4V to ±18V Dual supply
- -40°C to +125°C Specified temperature range
- 16-pin VQFN Tiny package
Applications
- Analog input module
- Flow transmitter
- LCD test
- Electrocardiogram (ECG)
- Surgical equipment
- Oscilloscope (DSO)
- Weigh scale
- Semiconductor test
ADC Driver Application
Detailed Schematic
Block Diagram
Đã phát hành: 2022-12-20
| Đã cập nhật: 2022-12-23
