Texas Instruments ISO1044B Isolated CAN FD Transceiver
Texas Instruments ISO1044B Isolated CAN FD Transceiver is a galvanically isolated controller area network (CAN) transceiver that meets the specifications of the ISO11898-2 (2016) standard. The ISO1044B device offers ±58V DC bus fault protection and ±12V common-mode voltage range. The device supports up to 5Mbps data rate in CAN FD mode, allowing much faster payload transfer than classic CAN. This device uses a silicon dioxide (SiO2) insulation barrier with a withstand voltage of 3000VRMS and a working voltage of 450VRMS. Electromagnetic compatibility has been significantly enhanced to enable system-level ESD, EFT, surge, and emissions compliance. When used with isolated power supplies, the device protects against high voltage and prevents noise currents from the bus from entering the local ground. The Texas Instruments ISO1044B supports a wide ambient temperature range of –40°C to +125°C. The device is available in the small SOIC-8 (D) package, which significantly reduces the solution size compared to a traditional approach using optocouplers to isolate the CAN transceiver.Features
- Meets the ISO 11898-2:2016 physical layer standard
- Supports classic CAN up to 1Mbps and FD (flexible data rate) up to 5Mbps
- Protection features
- ±58V DC bus fault protection voltage
- ±8kV IEC ESD tolerance on bus pins
- ±10kV HBM ESD tolerance on bus pins
- Driver dominant time out (TXD DTO)
- Undervoltage protection on VCC1 and VCC2
- ±12V common-mode voltage range
- Ideal passive, high-impedance bus terminals when unpowered
- 85kV/µs minimum high CMTI
- 1.71V to 5.5V VCC1 voltage range
- Supports 1.8V, 2.5V, 3.3V and 5.0V logic interface to the CAN controller
- 4.5V to 5.5V VCC2 voltage range
- Robust electromagnetic compatibility (EMC)
- System-level ESD, EFT, and surge immunity
- Low emissions
- –40°C to +125°C ambient temperature range
- 8-SOIC package
- Safety-related certifications
- All certifications planned
- VDE reinforced insulation per DIN VDE V 0884-11:2017-01
- UL 1577 component recognition program
- IEC 60950-1, IEC 62368-1, IEC 61010-1 and GB 4943.1-2011 certifications
Applications
- AC and servo drives
- Solar inverters
- PLC and DCS communication modules
- Elevators and escalators
- Industrial power supplies
- Battery charging and management
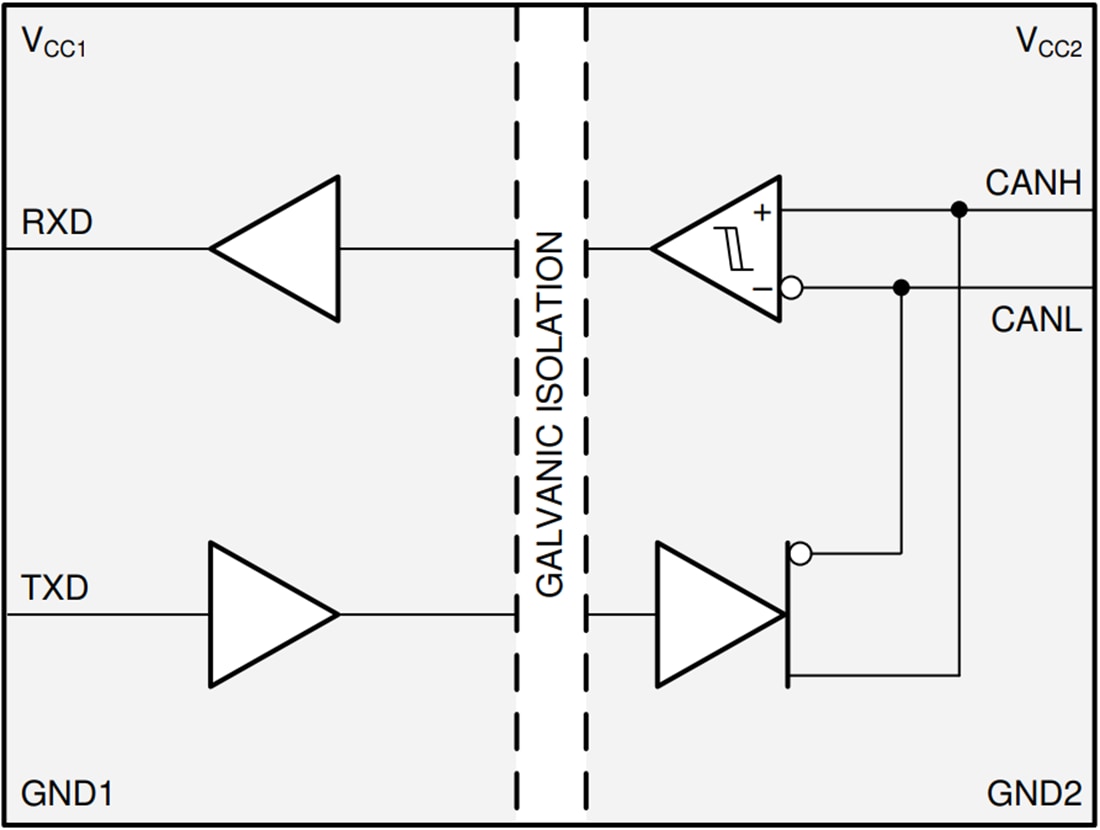
Functional Block Diagram
Đã phát hành: 2020-08-07
| Đã cập nhật: 2024-07-29
