Texas Instruments ISO7310C-EVM Digital Isolator Evaluation Module
Texas Instruments ISO7310C-EVM Digital Isolator Evaluation Module (EVM) helps designers evaluate device performance of digital isolators. This supports the fast development and analysis of isolated systems. This EVM board supports evaluation of any of the single-channel or dual-channel digital isolators in an 8-pin SOIC package. Texas Instruments ISO7310C provides galvanic isolation up to 3000VRMS for 1 minute per UL and 4242VPK per VDE.Features
- 4242VPK isolation per DIN EN 60747-5-5
- 3kVRMS isolation for 1 minute per UL 1577
- 25Mbps signaling rate
- Integrated noise filter at input
- >25 years isolation barrier life
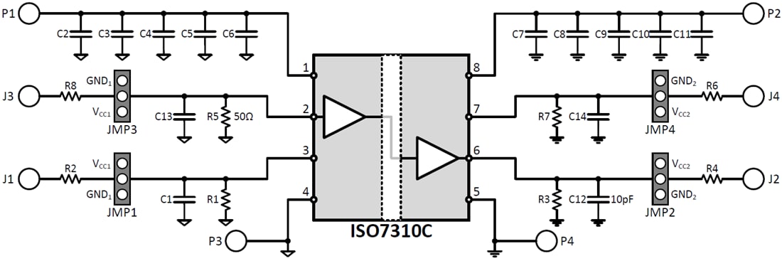
Schematic
Đã phát hành: 2015-06-24
| Đã cập nhật: 2022-03-11
