Texas Instruments LM704A0-Q1 Buck Converters
Texas Instruments LM704A0-Q1 Buck Converters are developed for an input voltage range of 4.5V to 45V and deliver up to 10A of output current at fixed output voltages of 3.3V, 5V, 12V, or an adjustable output. The LM704A0-Q1 low-IQ, wide-VIN synchronous buck converter utilizes a peak current-mode control architecture for easy loop compensation, fast transient response, and exceptional load and line regulation. A pair of LM704A0-Q1 converters can be configured in an interleaved mode (paralleled outputs) with accurate current sharing for applications needing up to 20A of output current.The TI LM704A0-Q1 offers a unique Dual Random Spread Spectrum (DRSS) function that incorporates low-frequency triangular and high-frequency cycle-by-cycle random modulations for enhanced EMI performance across a wide range of frequency bands.
The LM704A0-Q1 devices are AEC-Q100 qualified for automotive applications.
Features
- AEC-Q100 qualified for automotive applications with device temperature grade 1 of -40°C to +125°C ambient operating temperature
- Functional safety-capable documentation available to aid functional safety system design
- Synchronous DC/DC converter with a versatile buck controller and robust power MOSFETs
- 4.5V to 45V wide input voltage range
- 2.3µA shutdown mode current
- 12V to 5V with 15.5µA no-load IQ regulating
- 1% accurate, fixed 3.3V, 5V, 12V, or adjustable outputs from 0.8V to 36V
- Dual-phase operation enabling output currents up to 16A
- Designed for low EMI requirements
- Facilitates CISPR 25 Class 5 compliance
- Pin-selectable ±8% dual-random spread spectrum reduces peak emissions
- 200kHz to 2.2MHz Switching frequency
- Pin-configurable AUTO or FPWM operation
- Inherent protection features for robust design
- Internal hiccup-mode overcurrent protection
- Enable, power good, and thermal shutdown
- Internal or external loop compensation
- 6mm x 6mm thermally optimized, RoHS compliant, QFN-29 package with Pb-free plating
- Create a custom design using the LM704A0-Q1 with the WEBENCH® Power Designer
Applications
- Automotive electronic systems
- Advanced driver assist systems (ADAS)
- Infotainment and cluster
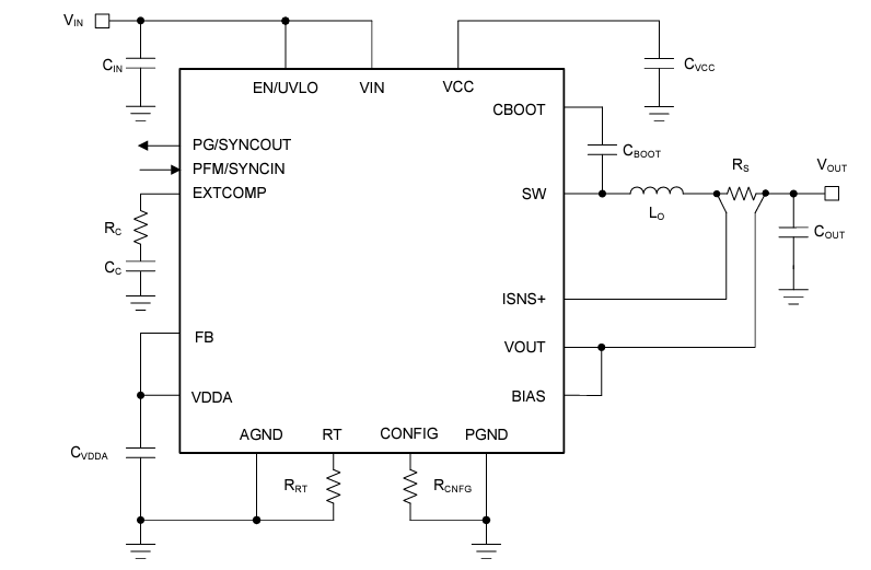
Typical Application Circuit
Additional Resources
Đã phát hành: 2024-10-29
| Đã cập nhật: 2025-05-09
