Texas Instruments LMG2100R026 GaN Half-Bridge Power Stage
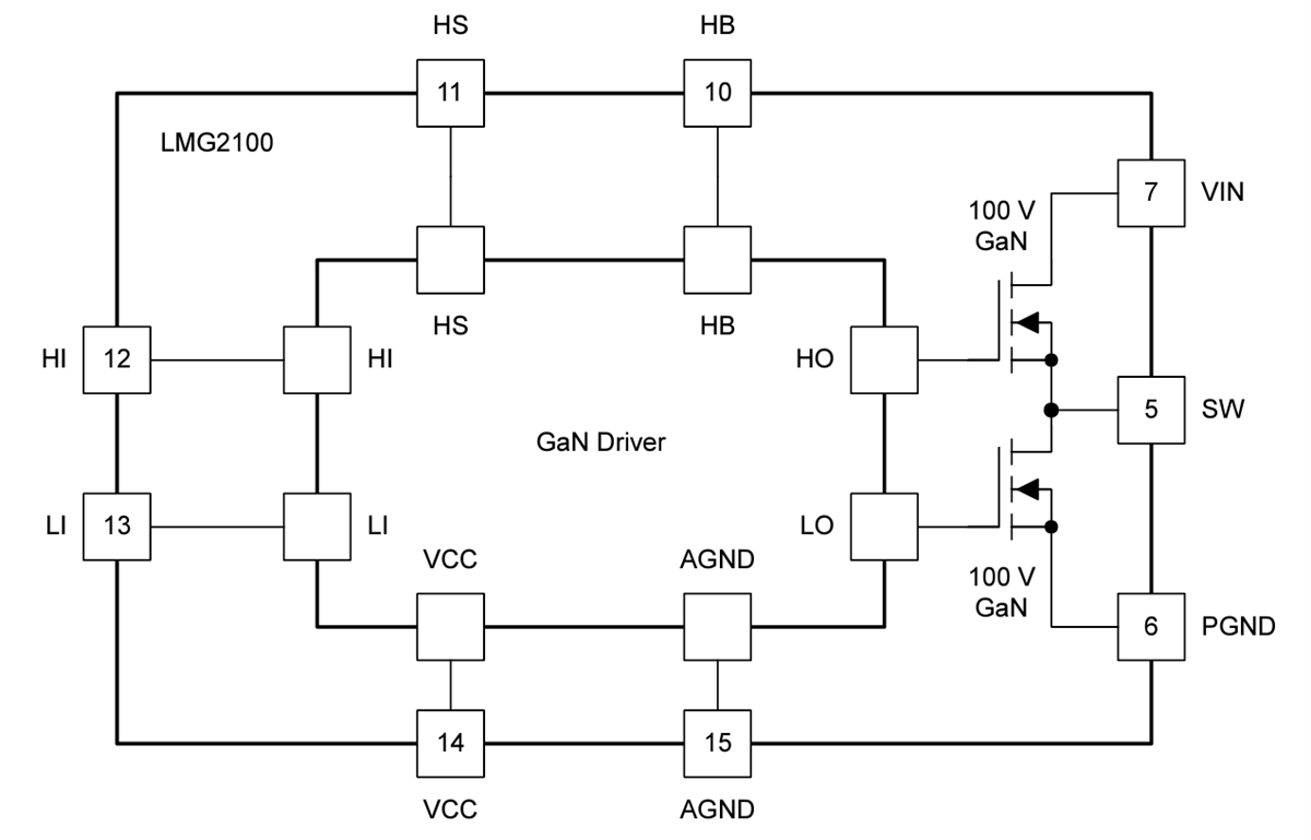
Texas Instruments LMG2100R026 GaN Half-Bridge Power Stage integrates gate-driver and enhancement-mode Gallium Nitride (GaN) FETs. The 93V continuous, 100V pulsed, 53A half-bridge power stage includes two GaN FETs driven by one high-frequency GaN FET driver in a half-bridge configuration. The driver and the two GaN FETs are mounted on a fully bond-wire-free package platform with minimized package parasitic elements.The TI LMG2100R026 Power Stage is housed in a 7.0mm x 4.5mm x 0.89mm lead-free package that can be easily mounted on PCBs. The TTL logic-compatible inputs can support 3.3V and 5V logic levels regardless of the VCC voltage. The proprietary bootstrap voltage clamping technique guarantees the gate voltages of the enhancement mode GaN FETs are within a safe operating range. The device extends the benefits of discrete GaN FETs by allowing a more user-friendly interface. The device is an ideal solution for applications requiring high-frequency, high-efficiency operation in a small form factor.
Features
- Integrated half-bridge GaN FETs and driver
- 93V continuous, 100V pulsed voltage rating
- Package optimized for easy PCB layout
- High slew rate switching with low ringing
- 5V external bias power supply
- Supports 3.3V and 5V input logic levels
- Gate driver capable of up to 10MHz switching
- Low power consumption
- Excellent propagation delay (33ns typical) and matching (2ns typical)
- Internal bootstrap supply voltage clamping to prevent GaN FET overdrive
- Supply rail undervoltage for lockout protection
- Exposed top QFN package for top-side cooling
- Large GND pad for bottom-side cooling
Applications
- Buck, boost, buck-boost converters
- LLC converters
- Solar inverters
- Telecom and server power
- Motor drives
- Power tools
- Class-D audio amplifiers
Simplified Block Diagram
Propagation Delay & Mismatch
Đã phát hành: 2025-01-17
| Đã cập nhật: 2025-04-16
