Texas Instruments SN74AC139-Q1 Dual 2-to-4 Line Decoder/Multiplexer
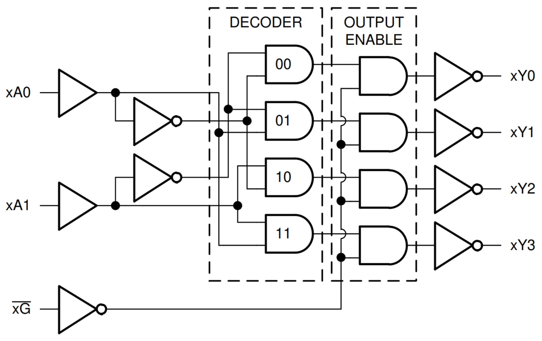
Texas Instruments SN74AC139-Q1 Dual 2-to-4 Line Decoder/Multiplexer contains dual two-to-four decoders with one active low-output strobe (G). When the outputs of one channel are gated by the strobe input (G = HIGH), the Texas Instruments SN74AC139-Q1 are all forced into the high state. When the strobe input does not disable the outputs (G = LOW), only the selected output is low, while all others are high.Features
- AEC-Q100 qualified for automotive applications
- Device temperature grade 1 of -40°C to +125°C
- Device HBM ESD classification level 2
- Device CDM ESD classification level C4B
- Available in wettable flank QFN package
- Wide operating range of 1.5V to 6V
- Inputs accept voltages up to 6V
- Continuous ±24mA output drive at 5V
- Supports up to ±75mA output drive at 5VIN short bursts
- Drives 50Ω transmission lines
- Maximum tpd of 9.5ns at 5V, 50pF load
Applications
- Memory device selection with shared data bus
- Route data
- Reduce the required number of outputs for chip-select applications
Additional Resources
- Application Note: Implications of Slow or Floating CMOS Inputs
- Selection Guide: Logic Guide
- Application Note: Understanding and Interpreting Standard-Logic Data Sheets
- User Guide: LOGIC Pocket Data Book
- Application Note: Designing With Logic
- Application Note: Using High Speed CMOS and Advanced CMOS in Systems With Multiple Vcc
- Advanced Driver Assistance Systems (ADAS)
Functional Block Diagram
Đã phát hành: 2025-03-24
| Đã cập nhật: 2025-05-06
