Texas Instruments SN74AHC594/SN74AHC594-Q1 8-Bit Shift Registers
Texas Instruments SN74AHC594/SN74AHC594-Q1 8-Bit Shift Registers contain an 8-bit serial-in, parallel-out (SIPO) shift register that feeds an 8-bit D-type storage register. Separate clocks and direct overriding clear (RCLR, RCLR) inputs are provided on the shift and storage registers. A serial (QH′) output is provided for cascading purposes. The Texas Instruments SN74AHC594-Q1 devices are AEC-Q100 qualified for automotive applications.Features
- Operating range 2V to 5.5V VCC
- 8-bit serial-in, parallel-out shift registers with storage
- Independent direct overriding clears on shift and storage registers
- Independent clocks for shift and storage registers
- Latch-up performance exceeds 100mA per JESD 78, class II
- ESD protection exceeds JESD 22
- 2000V human-body model (A114-A)
- 1000V charged-device model (C101)
Applications
- Network switches
- Power infrastructures
- PCs and notebooks
- LED displays
- Servers
Datasheets
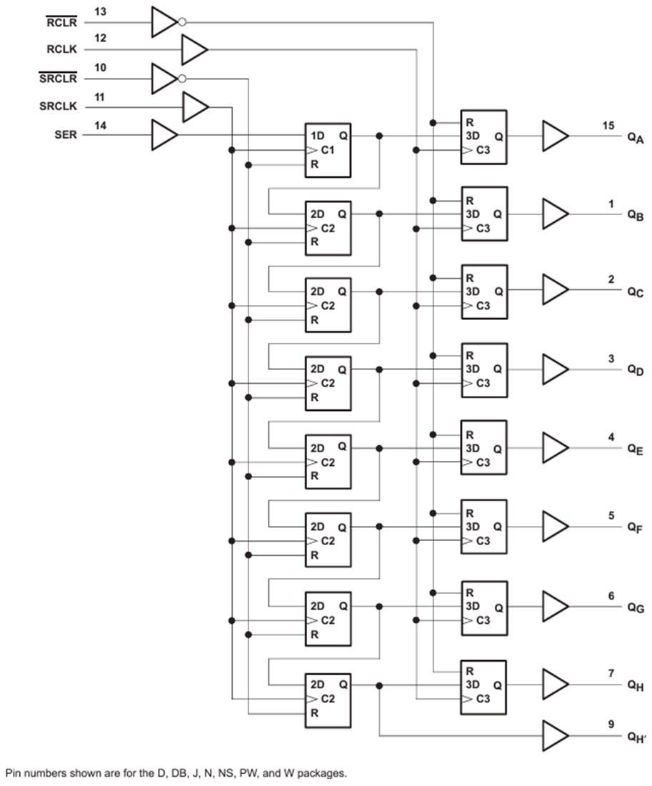
Logic Diagram (Positive Logic)
Additional Resources
- Application Note: Implications of Slow or Floating CMOS Inputs
- Selection Guide: Little Logic Guide
- Selection Guide: Logic Guide
- Application Note: How to Select Little Logic
- Application Note: Understanding and Interpreting Standard-Logic Data Sheets
- User Guide: LOGIC Pocket Data Book
- Application Note: Selecting the Right Level Translation Solution
- ADAS: The technology driving automotive safety forward
Đã phát hành: 2024-04-26
| Đã cập nhật: 2025-06-06
