Texas Instruments SN74HC393/SN74HCS393 Dual 4-Bit Binary Counters
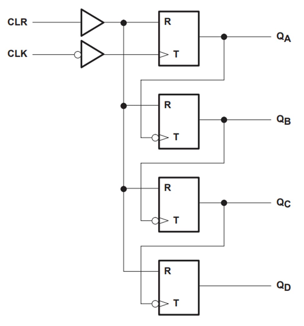
Texas Instruments SN74HC393/SN74HCS393 Dual 4-Bit Binary Counters contain eight flip-flops and additional gating to implement two individual 4-bit counters in a single package. These devices comprise two independent 4-bit binary counters, each having a clear (CLR) and a clock (CLK) input. N-bit binary counters can be implemented with each package, providing the capability of dividing by 256. The Texas Instruments SN74HC393/SN74HCS393 have parallel outputs from each counter stage so that any submultiple of the input count frequency is available for system timing signals.Features
- Wide operating voltage range of 2V to 6V
- Outputs can drive up to 10 LSTTL loads
- Low power consumption of 80µA (max.) ICC
- Typical tpd = 13ns
- ±4mA output drive at 5V
- Low input current of 1µA (max.)
- Dual 4-bit binary counters with individual clocks
- Direct clear for each 4-bit counter
- Can significantly improve system densities by reducing counter package count by 50%
Logic Diagram (Positive Logic)
Đã phát hành: 2024-12-03
| Đã cập nhật: 2024-12-13
