Texas Instruments SN74HCS594/SN74HCS594-Q1 8-Bit Shift Register
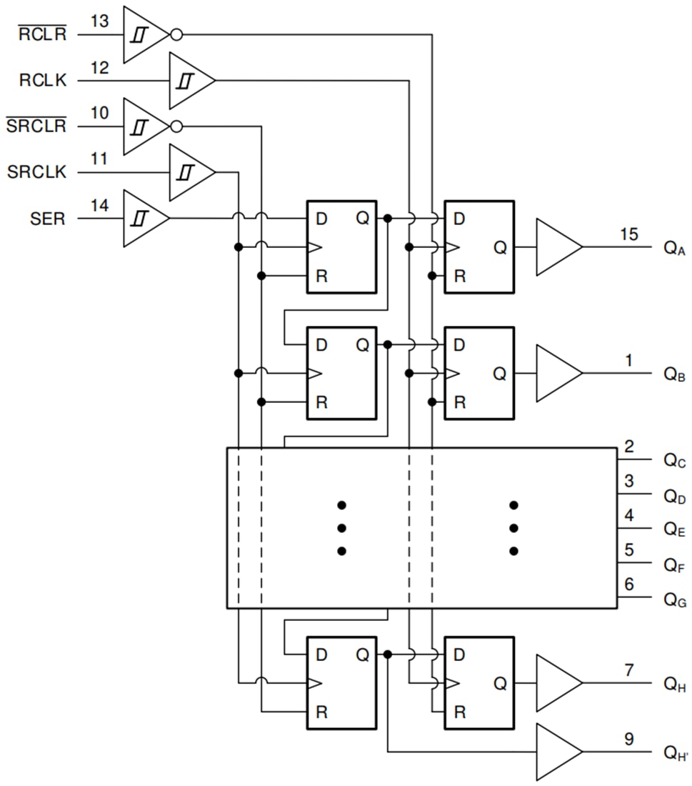
Texas Instruments SN74HCS594/SN74HCS594-Q1 8-Bit Serial-In/Parallel-Out Shift Register contains an 8-bit, serial-in, parallel-out shift register that feeds an 8-bit D-type storage register. All inputs include Schmitt triggers, eliminating any erroneous data outputs due to slow-edged or noisy input signals. The storage register has parallel outputs. Separate clocks and direct overriding clear (SRCLR, RCLR ) inputs are provided for the shift and the storage register. A serial output (QH’) is provided for cascading. The shift register (SRCLK) and storage register (RCLK) clocks of the Texas Instruments SN74HCS594/SN74HCS594-Q1 are positive edge triggered. If both clocks are connected, the shift register is one count pulse ahead of the storage register. The SN74HCS594-Q1 devices are AEC-Q100 qualified for automotive applications.Features
- 2V to 6V wide operating voltage range
- Schmitt-trigger inputs allow for slow or noisy input signals
- ±7.8mA output drive at 6V
- Low power consumption
- Typical ICC of 100nA
- Typical input leakage current of ±100nA
Applications
- Output expansion
- LED matrix control
- 7-segment display control
- 8-bit data storage
Datasheets
Functional Block Diagram
Đã phát hành: 2020-07-14
| Đã cập nhật: 2024-07-02
