Texas Instruments SN74LV74A/SN74LV74A-Q1 Dual D-Type Flip-Flops
Texas Instruments SN74LV74A/SN74LV74A-Q1 Dual D-Type Flip-Flops are positive-edge-triggered D-type flip-flops designed for 2V to 5.5V VCC operation. These devices are fully specified for partial-power-down applications using Ioff. When powered down, the Ioff circuitry disables the outputs, preventing damaging current backflow through the devices. The SN74LV74A-EP devices have gold bond wires, a temperature range of –55 to +105°C, and an SnPb lead finish. The Texas Instruments SN74LV74A-Q1 devices are AEC-Q100 qualified for automotive applications.Features
- 2V to 5.5V VCC operation
- Maximum tpd of 8.5ns at 5V
- Typical VOLP (output ground bounce) < 0.8V at VCC = 3.3V, TA = 25°C
- Typical VOHV (output VOH undershoot) > 2.3V at VCC = 3.3V, TA = 25°C
- Support mixed-mode voltage operation on all ports
- Ioff supports partial-power-down mode operation
- Latch-up performance exceeds 250mA per JESD 17
- ESD protection exceeds JESD 22
- 2000V human-body model (A114-A)
- 500V charged-device model (C101)
Applications
- Programmable Logic Controller (PLC)
- DCS and PAC (analog input module)
- AV receiver
- Server PSU
- STB, DVR, and streaming media (withdraw)
- Server motherboard
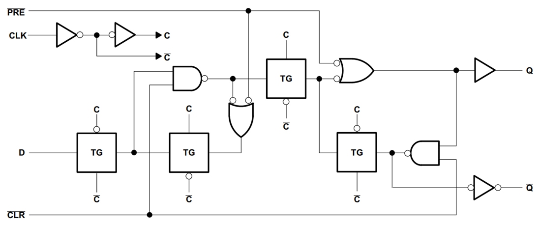
Logic Diagram (Positive Logic)
Đã phát hành: 2025-05-05
| Đã cập nhật: 2025-05-08
