Texas Instruments TL07xx Low-Noise FET-Input Operational Amplifiers
Texas Instruments TL07xx Low-Noise FET-Input Operational Amplifiers provide outstanding value for cost-sensitive applications. They are available in single (TL071x), dual (TL072x), or quad (TL074x) versions. Each device comes with features that include low offset (1mV, typical), high slew rate (20V/μs), and common-mode input to the positive supply. High ESD (1.5kV, HBM), integrated EMI and RF filters, and operation across the full –40°C to 125°C enable the Texas Instruments TL07xH devices to be used in the most rugged and demanding applications. The C-suffix devices are characterized for operation from 0°C to 70°C. The I-suffix devices are characterized for operation from −40°C to +85°C. The M-suffix devices are characterized for operation over the full military temperature range of −55°C to +125°C.Features
- 20V/μs (TL07xH, typ) high slew rate
- 1mV (TL07xH, typ) low offset voltage
- 2μV/°C low offset voltage drift
- 940μA/ch (TL07xH, typ) low power consumption
- Wide common-mode and differential voltage ranges
- Common-mode input voltage range includes VCC+
- Low input bias and offset currents
- Low noise
- Vn = 18nV/√Hz (typ) at f = 1kHz
- Output short-circuit protection
- 0.003% (typ) low total harmonic distortion
- Wide supply voltage
- ±2.25V to ±20V, 4.5V to 40V
Applications
- Solar energy (string and central inverter)
- Motor drives (AC and servo drive control and power stage modules)
- Single-phase online UPS
- Three-phase UPS
- Pro audio mixers
- Battery test equipment
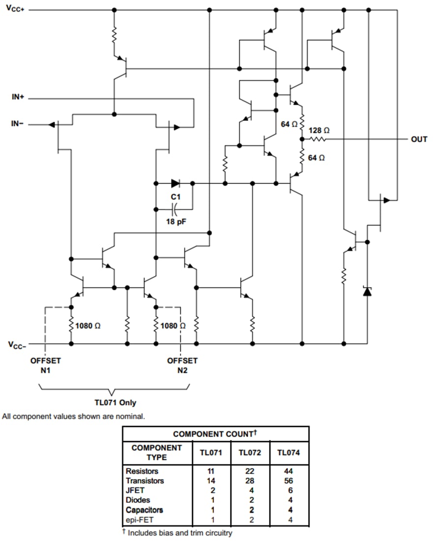
Functional Block Diagram
Đã phát hành: 2021-01-06
| Đã cập nhật: 2025-04-28
