Texas Instruments TLC696x1/TLC696x1-Q1 Constant Current Sink Drivers

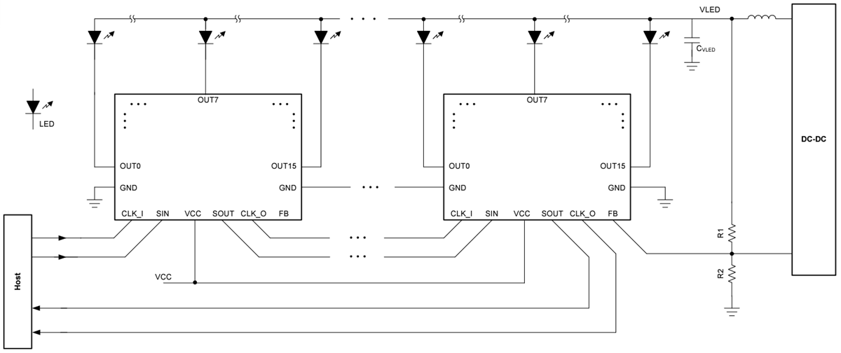
Texas Instruments TLC696x1/TLC696x1-Q1 16-Channel Constant Current Sink Drivers integrate 16 constant current sinks with SRAM for brightness storage. The device connects by a two-wire serial interface in daisy chain topology and supports up to 1024 devices for 16,000 local dimming zones.

The device has an adaptive headroom voltage control scheme to directly control DC/DC and optimize system efficiency. Only the FB pin from the last device in a serial chain should be connected to DC/DC to achieve a simplified system layout. The device also integrates minimum brightness update latency, black insertion, and VRR features to improve display quality.

Texas Instruments TLC696x1/TLC696x1-Q1 has three error flags: LED open detection (LOD), LED short detection (LSD), and thermal shutdown detection (TSD) for diagnostic. The device implements two options for readback, including UART/INT and SOUT/CLK_O, which is programmable by a register. The TLC696x1-Q1 devices are AEC-Q100 qualified for automotive applications.

Features

  • 3V to 5.5V operating voltage VCC range
  • 16 constant current sinks with high precision
    • Maximum output current/voltage
      • 30mA/20V: TLC69601/TLC69601-Q1
      • 60mA/20V: TLC69611/TLC69611-Q1
      • 30mA/50V: TLC69651/TLC69651-Q1
      • 60mA/50V: TLC69661/TLC69661-Q1
    • ±2% (typ.) device-to-device error
    • ±2% (typ.) channel-to-channel error
  • Flexible dimming control
    • Global 8-bit Maximum Current (MC) setting
    • Brightness resolution of up to 15-bit
    • PWM/Hybrid control mode
  • High-speed daisy chain interface
    • I/O voltage compatible with 1.8V/3.3V
    • Data transfer rate of up to 20MHz
  • High system efficiency
    • Adaptive headroom voltage control (AHVC)
    • Ultra-low device power consumption
      • ICC ≤ 200uA in standby mode
      • ICC ≤ 3.5mA in normal mode
  • EMI enhancement
    • Programmable interface driving capability
    • Integrated four phase-shifting schemes
  • Display quality improvement
    • Minimum brightness update latency
    • Programmable black insertion
    • Variable refresh rate (VRR) without flickering
  • Diagnostics
    • LED open/short detection for each zone
    • Device thermal shutdown detection
    • Report interface option
      • UART and interrupt pin (INT)
      • Two-wire output: CLK_O and SOUT

Applications

  • LCD local dimming backlight
    • TV
    • Monitor
    • Notebook
    • Tablet

Simplified Schematic

Schematic - Texas Instruments TLC696x1/TLC696x1-Q1 Constant Current Sink Drivers
Đã phát hành: 2023-06-06 | Đã cập nhật: 2024-06-21