Texas Instruments TPS2662 Industrial eFuses
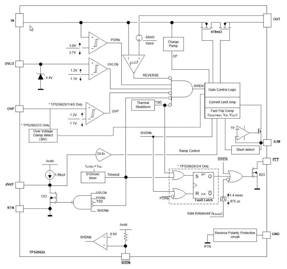
Texas Instruments TPS2662 60V 800mA Industrial eFuses offer integrated reverse polarity protection providing a full suite of protection features. The device presents a wide supply input range of 4.5V to 57V, enabling control of a variety of DC bus voltages. Positive and negative supply voltages can be protected and withstood on the TPS2662 up to ±60V. A reverse current blocking feature is provided by the integrated back-to-back FETs making the device suitable for systems with output voltage holdup requirements during power failures and brownout conditions. Different protection modes, including load, source, and device protection modes, display many adjustable features. These features contain overcurrent, output slew rate and, overvoltage, undervoltage thresholds. The TPS2662 efuses operate over a specified temperature range of –40°C to +125°C.Features
- 4.5V to 57V Operating voltage, 60V absolute maximum
- Integrated reverse input polarity protection to –60V
- Integrated reverse output polarity protection to –(60VIN) (TPS26624 and TPS26625 Only)
- Integrated back-to-back MOSFETs with 478mΩ Total RON
- 25mA to 880mA Adjustable current limit (±5% accuracy at 880mA)
- Fast reverse current blocking response (0.3µs)
- Load protection during surge (IEC 61000-4-5) with minimum external components
- Electrical fast transients immunity according to IEC 61000-4-4
- Adjustable UVLO, OVP cut off, output slew rate control for inrush current limiting
- Fixed 38V over voltage clamp (TPS26622 and TPS26623 only)
- Low quiescent current, 340µA in operating, 12µA in shutdown
- Small foot print - 10L (3mm × 3mm) VSON
- UL 2367 Recognition pending
Applications
- PLC I/O Modules
- AC and Servo drives
- Sensor and controls
- Thermostat
- PoE Highside protection
Block Diagram
Đã phát hành: 2018-08-24
| Đã cập nhật: 2024-07-09
