Texas Instruments TPS38800-Q1/TPS388R0-Q1 Voltage Supervisors
Texas Instruments TPS38800-Q1/TPS388R0-Q1 Automotive Voltage Supervisors are an ASIL-B device for a 2- to 8-channel window supervisor IC available in a 16-pin 3mm x 3mm QFN package. This high-accuracy multichannel voltage supervisor is designed for systems that operate on low-voltage supply rails and have narrow margin supply tolerances.I2C functionality gives flexibility in selecting thresholds, reset delays, glitch filters, and pin functionality. The internal glitch immunity and noise filters eliminate the need for external RC components to reduce false resets resulting from power transients. TPS38800-Q1/TPS388R0-Q1 does not require external resistors to set overvoltage and undervoltage reset thresholds, further optimizing overall accuracy, cost, and size and improving reliability for safety systems.
Features
- ASIL-B functional safety-compliant product
- Development target for functional safety applications
- Documentation to aid ISO 26262 system design
- Systematic capability up to ASIL D
- Hardware capability up to ASIL B
- AEC-Q100 qualified with -40°C to 125°C device temperature grade 1
- Monitor state-of-the-art SOCs
- ±6mV threshold accuracy (-40°C to 125°C)
- 2.5V to 5.5V input voltage range
- 2.48V Undervoltage Lockout (UVLO)
- 200µA idle mode maximum low quiescent current
- 2 to 8 channels configuration available
- Fixed window threshold levels
- 5mV steps from 0.2V to 1.475V
- 20mV steps from 0.8V to 5.5V
- Miniature package and minimal component cost
- 3mm x 3mm QFN package
- User-adjustable glitch immunity via I2C
- User-adjustable voltage threshold levels via I2C
- Designed for safety applications
- Active-low open-drain NIRQ output (Latched)
- Active-low open-drain NRST output (Reset Delay)
- Cyclic Redundancy Checking (CRC)
- Packet Error Checking (PEC)
Applications
- Advanced Driver Assistance System (ADAS)
- Sensor fusion
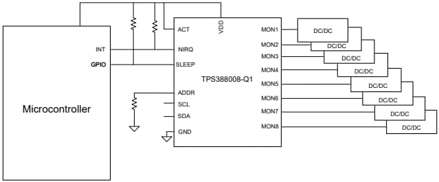
Typical Circuit
Block Diagram
Additional Resource
Đã phát hành: 2025-01-22
| Đã cập nhật: 2025-05-06
