Texas Instruments TPS4816-Q1 Smart High-Side Switch Controllers

Texas Instruments TPS4816-Q1 Low IQ Smart High-Side Switch Controllers have protection and diagnostics. With a wide operating voltage range of 3.5V to 95V (100V absolute-maximum rating), the device is suitable for 12V, 24V, and 48V automotive system designs.

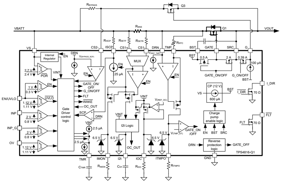
The device has a strong 0.5A peak source and 2A peak sink GATE driver that enables power switching using parallel FETs in high-current system designs. Use INP as the gate driver control input. MOSFET slew rate control (ON and OFF) is possible by placing external R-C components. It also integrates a pre-charge driver (G) with control input (INP_G). This feature enables designs that must drive large capacitive loads. The controller draws a total shutdown current of 1µA in shutdown mode at a 48V supply input.

The device has accurate bidirectional current sensing (±2%) output (IMON, I_DIR) with adjustable I2t-based overcurrent and short circuit protection (±5%) using an external RSNS resistor and /FLT indication. Auto-retry and latch-off fault behavior can be configured. The device also has NTC-based temperature sensing (TMP) and monitoring output (ITMPO) for overtemperature detection of external FETs. The Texas Instruments TPS4816-Q1 is available in a 23-pin VQFN package.

Features

  • AEC-Q100 automotive qualified for grade 1 temperature
  • 3.5V to 95V input range (100V absolute maximum)
  • Reverse input and output protection down to –60V
  • Integrated 12V charge pump
  • Low 1µA shutdown current (EN/UVLO = Low)
  • Dual gate drive with GATE = 0.5A src/2A sink, G = 100µA src/0.39A sink
  • Integrated pre-charge switch driver (INP_G) to drive capacitive loads
  • Accurate I2t overcurrent protection (IOC) with adjustable circuit breaker timer (I2t)
  • Accurate (±5%) and fast (5µs) short-circuit protection
  • ±2% at 30mV VSNS accurate analog bi-directional current monitor output (IMON, I_DIR)
  • NTC-based overtemperature sensing (TMP) and monitoring output (ITMPO)
  • Fault indication (/FLT) during short circuit fault, I2t, charge pump UVLO, OV, overtemperature
  • TPS48160-Q1 (I2t enabled), TPS48161-Q1 (I2t disabled)
  • Accurate (±2%) and adjustable undervoltage lockout (UVLO) and overvoltage protection (OV)

Applications

  • Power distribution box
  • Body control module
  • DC-DC converter
  • Battery management system

Functional Block Diagram

Block Diagram - Texas Instruments TPS4816-Q1 Smart High-Side Switch Controllers
Đã phát hành: 2025-09-02 | Đã cập nhật: 2025-09-10