Texas Instruments TPS54424 4A Synch SWIFT™ Step-Down Converters
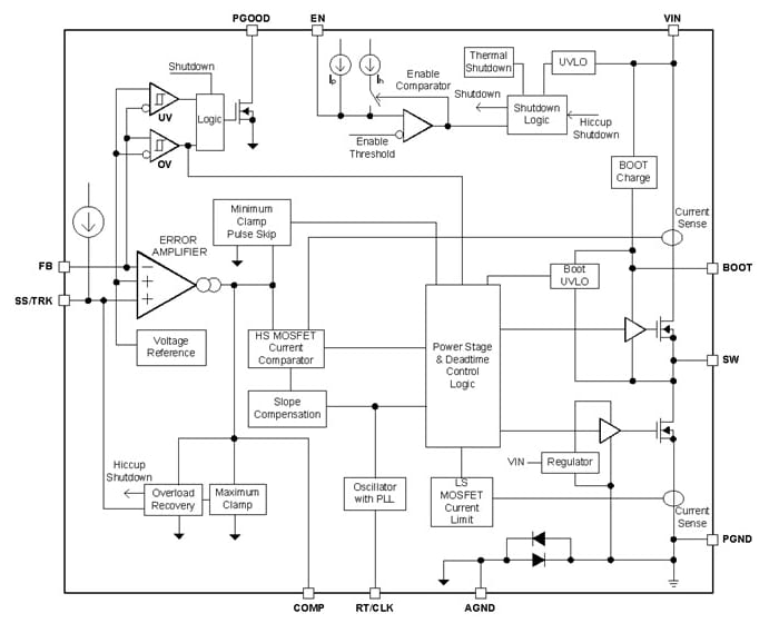
Texas Instruments TPS54424 17V, 4A Synchronous SWIFT™ Step-Down Converters come in a 3.5mm x 3.5mm HotRod™ QFN package and is optimized for small solution size. This is achieved through high efficiency and integrating the high-side and low-side MOSFETs. The inductor footprint is reduced through peak current mode control, which reduces component count, and by selecting a high switching frequency. Loop compensation is simplified through peak current control and offers a fast transient response.The device is protected from overload situations by cycle-by-cycle peak current limiting on the high-side and low-side sourcing current limit. Features include Hiccup Current Limit and Power Good Output Monitor for under voltage and overvoltage. The regulator on/off is controlled by a dedicated EN pin, as well as adjusting the under voltage lockout.
Features
- Small 3.5mm x 3.5mm HotRod™ QFN package
- Integrated 14.1mΩ and 6.1mΩ MOSFETs
- Peak current mode control with fast transient response
- 200kHz to 1.6MHz fixed switching frequency
- Synchronizes to External clock
- 0.6V voltage reference ±0.85% over temperature
- 0.6V to 12V output voltage range
- Hiccup current limit
- Safe Startup into Pre-Biased output voltage
- Adjustable Soft-Start and power sequencing
- Adjustable input Under Voltage Lockout
- 3µA shutdown current
- Power Good output monitor for Undervoltage and Overvoltage
- Output overvoltage protection
- Non-latch Thermal Shutdown protection
- -40°C to 150°C operating junction temperature
- Create a custom design using the TPS54424 with the WEBENCH® Power Designer
Applications
- Telecom and wireless infrastructure
- Test and measurement
- Medical imaging equipment
- Enterprise switching
- Server
Videos
Functional Block Diagram
Đã phát hành: 2017-10-23
| Đã cập nhật: 2022-07-06
