Texas Instruments TPS548A20 SWIFT™ Converter
Texas Instruments TPS548A20 Synchronous Step-Down SWIFT™ Converter is a small-sized (4.50mm x 3.50mm), synchronous buck converter with an adaptive on-time D-CAP3 control mode. The device offers ease-of-use and low bill-of-material count for space-conscious power systems. This device features high-performance integrated MOSFETs, accurate 0.6V reference, and an integrated boost switch. Competitive features include very-low external-component count, fast load transient response, auto-skip mode operation, internal soft-start control, and no requirement for compensation. A forced continuous conduction mode helps meet tight voltage regulation accuracy requirements for performance DSPs and FPGAs.Features
- Integrated SWIFT™ 9.9mΩ and 4.3mΩ MOSFETs support 15A continuous IOUT
- Wide 1.5V to 20V conversion input voltage range (with snubber)
- Output voltage range from 0.6V to 5.5V
- Supports all ceramic output capacitors
- 600mV reference voltage with ±0.5% tolerance from -40°C to +85°C ambient temperature
- D-CAP3™ control mode with fast load-step response
- Hiccup over current protection
- Auto-skipping Eco-Mode™ for high light-load efficiency
- FCCM for tight output ripple and voltage tolerance requirements
- Pre-charged startup capability
- Eight selectable frequency settings from 200kHz to 1MHz
- 4.5mm x 3.5mm, 28-pin, VQFN-CLIP package
Applications
- Servers
- Cloud-computing
- Storage
- Telecom and networking
- Point-of-Load (POL)
- IPCs
- Factory automation
- PLCs
- Test and measurement
- Performance DSPs
- FPGAs
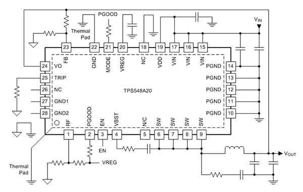
Simplified Application Circuit
Additional Resources
Application Notes
- SMT Guidelines for Stacked Inductor on Voltage Regulator IC
- Accuracy-Enhanced Ramp-Generation Design for D-CAP3 Modulation
- Unified Ground Connection Recommendation on TPS53K - Integrated FET-Converter Devices
- Point-of-Load Solutions for Data Center Applications Implementing VR13.HC VCCIN Specification
- DC/DC Converter Solutions for Hardware Accelerators in Data Center Applications
Đã phát hành: 2016-01-12
| Đã cập nhật: 2022-03-11
