Texas Instruments TPS6287Bxx Synchronous Buck Converters

Texas Instruments TPS6287Bxx Synchronous Buck Converters are a family of pin-to-pin 10A,15A, 20A, and 25A synchronous step-down DC/DC converters with I2C interface and differential remote sense. All devices offer ease of use and high efficiency. Low-resistance power switches allow up to 25A output current at high ambient temperatures. The devices can operate in stacked mode to spread the power dissipation across multiple devices or to deliver higher output currents.

The Texas Instruments TPS6287Bx family implements an enhanced DCS control scheme combining fast transient response and fixed-frequency operation. Devices can operate in the power-save mode for maximum efficiency or forced-PWM mode for excellent transient performance and the lowest output voltage ripple. An optional remote sensing feature maximizes voltage regulation at the point-of-load, and the device achieves ±0.8% DC voltage accuracy for the full output voltage range.

The I2C-compatible interface offers several control, warning, and monitoring features, such as voltage monitoring and temperature-related warnings. The output voltage can be quickly adjusted to adapt the load´s power consumption to the performance needs. The default start-up voltage is resistor selectable through the VSET1 and VSET2 pins.

Features

  • 2.7V to 6V input voltage range 
  • Family of pin-to-pin compatible devices with ratings of 10A, 15A, 20A, 25A
  • Three selectable output voltage ranges from 0.4V to 1.675V
    • 0.4V to 0.71875V with 1.25mV steps
    • 0.4V to 1.0375V with 2.5mV steps
    • 0.4V to 1.675V with 5mV steps
  • ±0.8% output voltage accuracy 
  • 2.6mΩ and 1.5mΩ internal power MOSFETs 
  • Adjustable soft start
  • External compensation
  • Selectable start-up output voltage through the VSET1 and VSET2 pins
    • 0.4V to 0.775V with 25mV of steps
    • 0.8V to 1.55V with 50mV of steps
  • Forced PWM or power-save mode operation
  • Start-up output voltage selection by an external resistor or I2C
  • I2C-compatible interface with up to 3.4MHz
  • Optional stacked operation for increased output current capability
  • Differential remote sense
  • Thermal pre-warning and thermal shutdown
  • Output discharge
  • Optional spread spectrum clocking
  • Power-good output with window comparator

Applications

  • FPGA, ASIC, and digital core supply
  • Optical networks
  • Storage

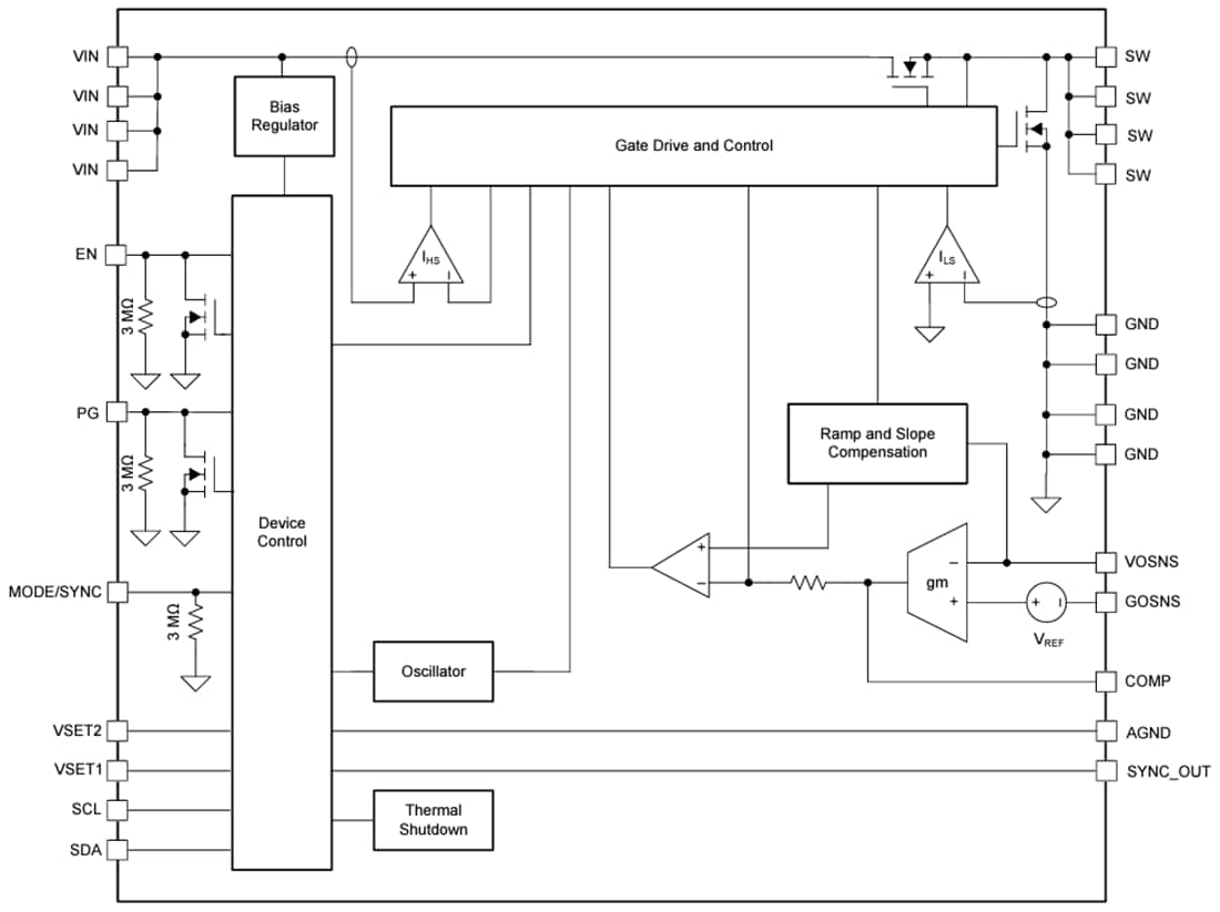
Functional Block Diagram

Block Diagram - Texas Instruments TPS6287Bxx Synchronous Buck Converters
Đã phát hành: 2024-03-06 | Đã cập nhật: 2024-12-05