Texas Instruments TPS650864xx Configurable Multi-Rail PMIC
Texas Instruments TPS650864xx Configurable Multi-Rail PMIC is a single-chip power-management IC (PMIC) designed for Xilinx Zynq multi-processor system-on-chip (MPSoCs) and field-programmable gate array (FPGAs). The TPS650864xx offers an input range of 5.6V to 21V, enabling a wide range of applications. The device is targeted for wall-powered applications or 2S, 3S, or 4S Li-Ion battery packs (NVDC or non-NVDC power architectures). The D-CAP2 and DCS-Control high-frequency voltage regulators use small inductors and capacitors to achieve a small solution size. The D-CAP2 and DCS-Control topologies have excellent transient response performance. This feature is ideal for processor core and system memory rails with fast load switching. An I2C interface allows simple control either by an embedded controller (EC) or an SoC.Features
- Wide VIN range from 5.6V to 21V
- Three variable-output voltage synchronous step-down controllers with D-CAP2™ topology
- Scalable output current using external FETs with selectable current limit
I2C DVS Control from 0.41V to 1.67V in 10mV steps or 1V to 3.575V in 25mV steps
- Scalable output current using external FETs with selectable current limit
- Three variable-output voltage synchronous step-down converters with DCS-control topology
- VIN Range from 3V to 5.5V
- Up to 3A of output current
- I2C DVS Control from 0.41V to 1.67V in 10mV steps or 0.425V to 3.575V in 25mV steps
- Three LDO regulators with adjustable output voltage
- LDOA1: I2C-Selectable output voltage from 1.35V to 3.3V for up to 200mA of output current
- LDOA2 and LDOA3: I2C-Selectable output voltage from 0.7V to 1.5V for up to 600mA of output current
- VTT LDO for DDR Memory termination
- Three load switches with slew rate control
- Up to 300mA of output current with voltage drop of less than 1.5% of nominal input voltage
- RDSON < 96mΩ at an input voltage of 1.8V
- 5V Fixed-output voltage LDO (LDO5)
- Power supply for gate drivers of SMPS and for LDOA1
Automatic switch to external 5V buck for higher efficiency
- Power supply for gate drivers of SMPS and for LDOA1
- Built-in flexibility and configurability by factory OTP programming
- Six GPI Pins configurable to enable (CTL1 to CTL6) or sleep mode entry (CTL3 and CTL6) of any selected rails
Four GPO pins configurable to power good of any selected rails
Open-drain interrupt output pin
- Six GPI Pins configurable to enable (CTL1 to CTL6) or sleep mode entry (CTL3 and CTL6) of any selected rails
- I2C Interface supports
- Standard mode (100kHz)
- Fast mode (400kHz)
- Fast mode Plus (1MHz)
Applications
- Programmable logic controller
- Machine vision camera
- Video surveillance
- Test and measurement
- Embedded PCs
- Motion control
- Portable ultrasound
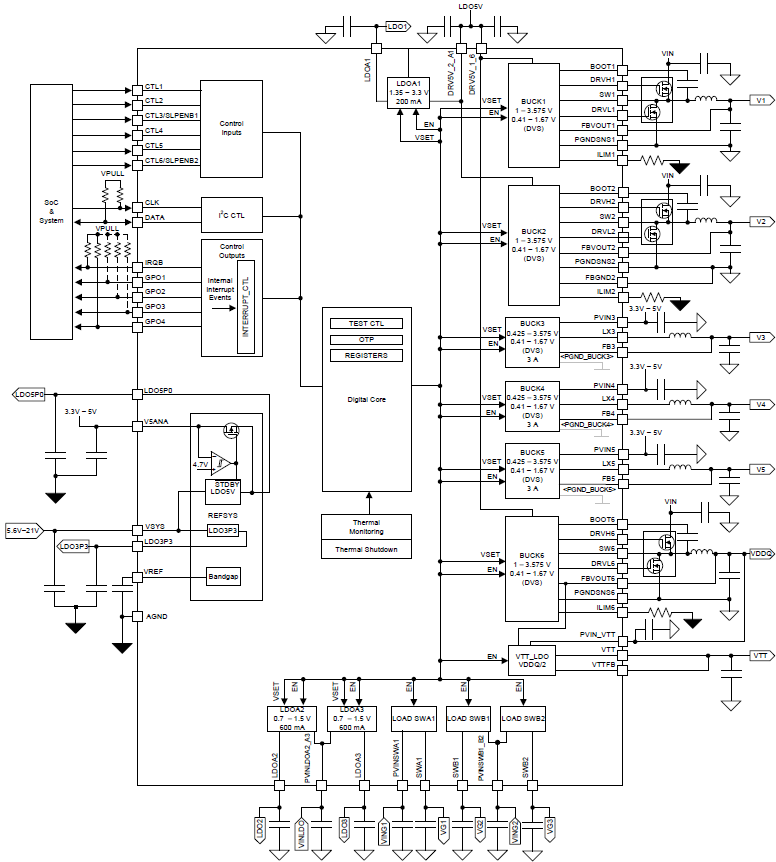
Functional Block Diagram
Đã phát hành: 2017-08-30
| Đã cập nhật: 2022-05-06
