Texas Instruments TRF-LSC-AFE7950EVM Evaluation Module
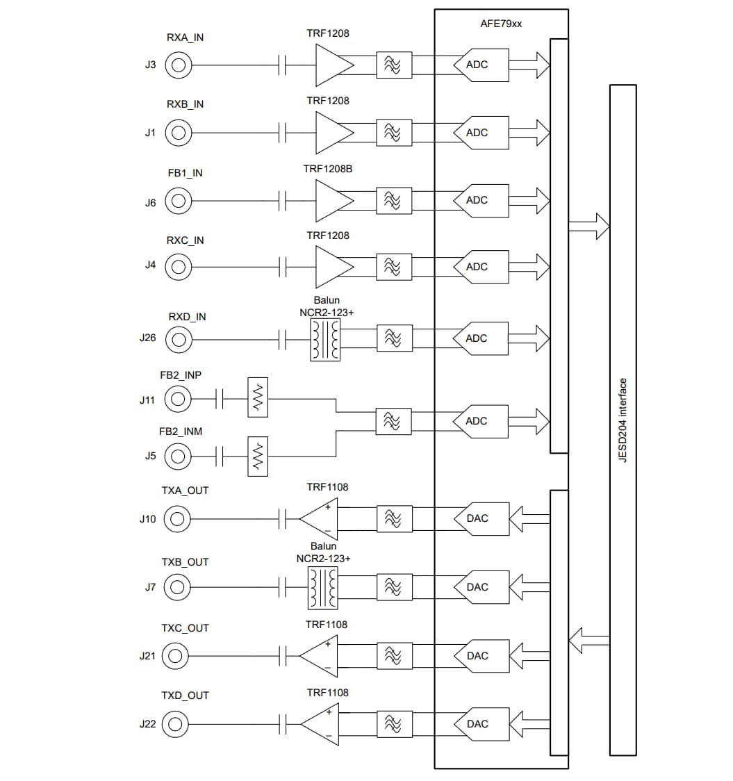
Texas Instruments TRF-LSC-AFE7950EVM Evaluation Module provides the requirements and interface options for evaluating the AFE79xx family of integrated RF sampling transceivers, which includes the TRF1208 single-ended-to-differential amplifier on RX and the TRF1108 differential-to-single-ended amplifier on TX. The AFE79xx supports up to four transmit, four receive, and two feedback channels (4T4R2F), and integrates a phase-locked loop (PLL) and a voltage-controlled oscillator (VCO) for generating data-converter clocks.The TI TRF-LSC-AFE7950EVM Evaluation Module incorporates the LMK04828 clock generator to supply reference clocks and SYSREF to the analog front end (AFE) and capture card (field programmable gate array, FPGA). The evaluation module (EVM) employs a single 5.5V input and contains complete power-management circuitry. External clocking choices include support for feeding the reference clock (for the on-chip PLL).
Features
- Operates on a single 5.5V supply
- Includes onboard clock generation
- RF front end with >8GHz S2D and D2S amplifiers
Applications
- Directly drives RF sampling or Gsps ADCs
- Suitable for aerospace and defense applications with up to X-band support
- High linearity to support next-generation 5G systems
- Low noise figure for better signal integrity
- Reduced system size with a small footprint and the elimination of passive RF balun
- Phased array radar
- Low power, power-down mode with digital PD control for optimized system design
- Military radios
- High-speed digitizer
- 4G/5G wireless BTS
- RF active balun
- Test and measurement
Kit Contents
- TRF-LSC-AFE7950EVM
- USB Type Mini-B cable
- Power cable
Layout
Block Diagram
Đã phát hành: 2025-09-14
| Đã cập nhật: 2025-09-21
