Texas Instruments TUSB1142 Adaptive Linear Redriver
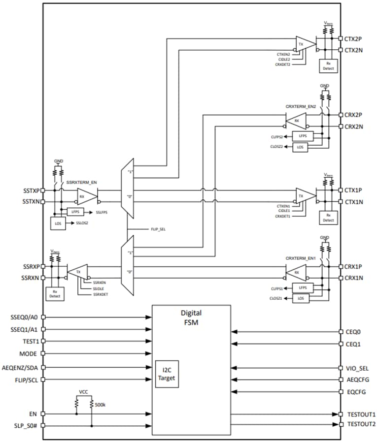
Texas Instruments TUSB1142 Adaptive Linear Redriver is a 10Gbps USB 3.2 linear redriver with 1.2 DeMUX or 2:1 Nux for USB-C™ applications. The TUSB1142 is intended to reside between a Host and a USB-C receptacle or between a USB device and a USB-C receptacle. The TUSB11142 supports both USB 3.2 Gen2 (10Gbps) and Gen1 (5Gbps) as well as USB 3.2 low power states (Disconnect, U1, U2, and U3).The Texas Instruments TUSB1142 incorporates an innovative, adaptive receiver equalization (AEQ) feature. The AEQ feature will automatically determine what it believes is the best ISI compensation settings between the TUSB1142 and USB device plugged into the USB connector resulting in improved interoperability. The TUSB1142 operates from a single 3.3V supply and is available in a 40-pin WQFN package.
Features
- USB Type-C 2:1 redriver MUX
- USB 3.2 5Gbps and 10Gbps support
- Advanced USB power management
- Active: 550mW (typical)
- Disconnect: 1.5mW
- Disabled (EN = L): 0.130mW
- 16 EQ settings up to 12dB at 5GHz
- A choice between adaptive or fixed receiver equalization for ports facing USB connector
- The choice between linear or limited redriver for ports facing the system (SSRX transmitter)
- Less than 1V VTX-CM and VRX-CM
- Configuration through I2C or pin-strap
- Selection between 1.8V or 3.3V I2C levels
- Operates from a single 3.3V supply
Applications
- Notebooks and desktops
- Docking stations
- Data storage
- Connected peripherals and printers
Functional Block Diagram
Đã phát hành: 2022-05-20
| Đã cập nhật: 2022-06-15
