Texas Instruments TXB0304 4-Bit Voltage-Level Translator
Texas Instruments TXB0304 4-bit Bidirectional Voltage-Level Translator with Automatic Direction Sensing uses two separate configurable power-supply rails. This TI device features fully symmetric supply voltages of 0.9V to 3.6V on A Port and B Port. The TI TXB0304 Voltage-Level Translator also has a VCC isolation feature tht places all outputs in the high-impedance state if either VCC input is at GND. The Texas Instruments TXB0304 provides low power consumption of 5µA Max (ICCA or ICCB). The IOFF circuitry supports partial-power-down mode operation.Features
- Fully Symmetric Supply Voltages. 0.9V to 3.6V on A Port and 0.9V to 3.6V on B Port
- VCC Isolation Feature - If Either VCC Input Is at GND, All Outputs Are in the High-Impedance State
- OE Input Circuit Referenced to VCCA
- Low Power Consumption, 5µA Max (ICCA or ICCB)
- IOFF Supports Partial-Power-Down Mode Operation
- Latch-Up Performance Exceeds 100mA Per JESD 78, Class II
- ESD Protection Exceeds JESD 22
- 8000-V Human-Body Model (A114-B)
- 1000-V Charged-Device Model (C101)
Applications
- Personal Electronics
- Industrial
- Enterprise
- Telecom
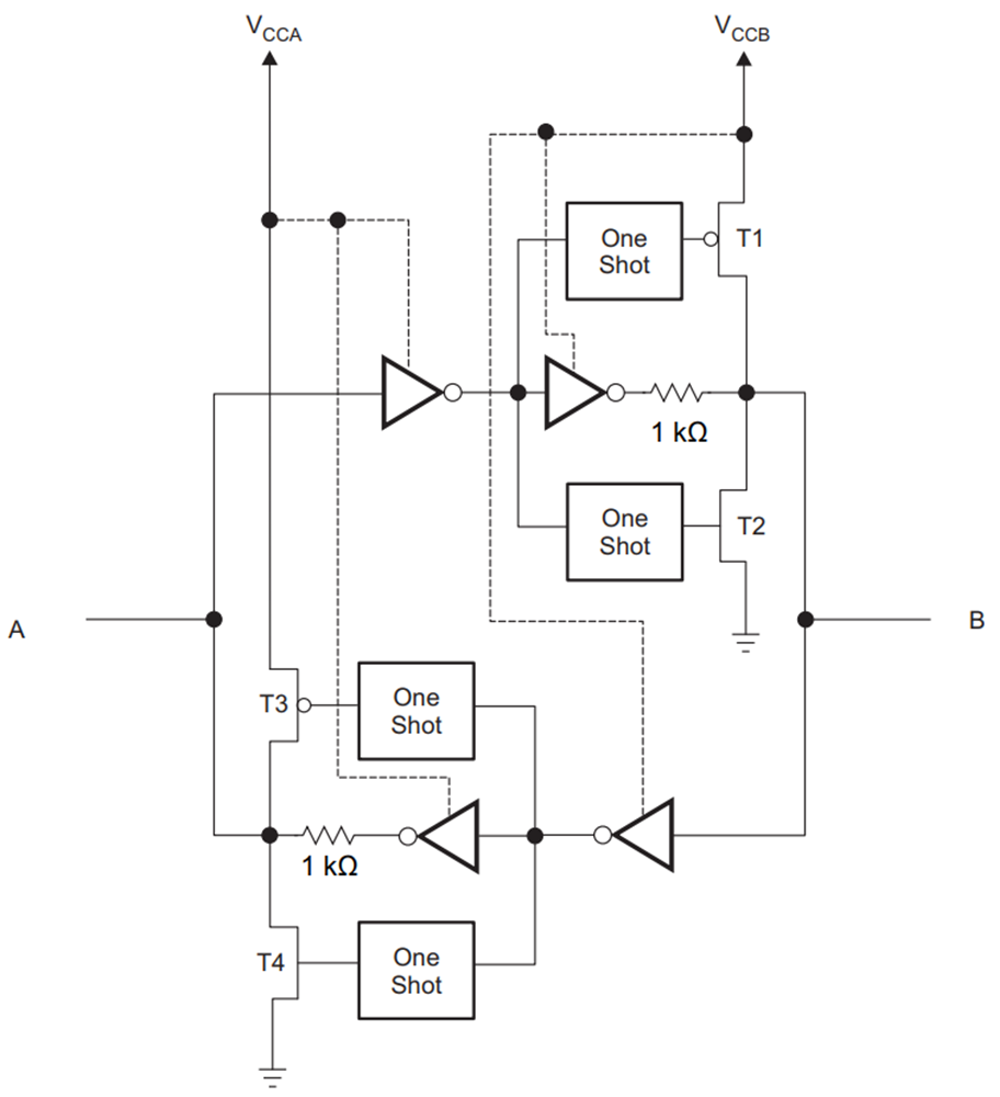
Functional Block Diagram
Đã phát hành: 2012-03-01
| Đã cập nhật: 2022-03-11
