TRACO Power TMPS15 15W AC/DC Power Supplies
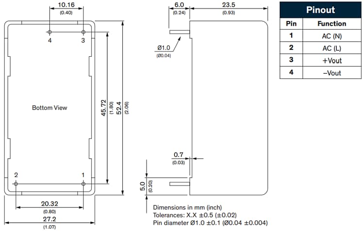
TRACO Power TMPS15 15W AC/DC Power Supplies with PCB mounting feature low no-load power consumption of <100mW, meeting the ErP directive for energy-efficient devices of the European Union. These fully encapsulated AC/DC power supplies are prepared for protection Class II applications and come with an integrated EN 55032 Class B EMI filter. Other features include reinforced isolation, high power density, and 130% peak power for up to 30s. The units are certified according to EN 60335 (household) and UL 62368-1 (IT and industrial). The TMPS15 series is available in a 1.07” x 2.06” x 0.93” package. TRACO Power TMPS15 15W AC/DC Power Supplies are ideal for household, building automation, Internet of Things (IoT), and industrial applications.
Features
- Fully encapsulated 1.07” x 2.06” x 0.93” package
- ErP ready (<100mW no-load power)
- EN 60335 certified (household)
- UL 62368-1 certified (IT and industrial)
- Protection Class II prepared
- Integrated class B EMI filter
- 130% peak power (for up to 30s)
- 15W maximum output power
- 4000VAC I/O isolation (reinforced)
- -25°C to +70°C operating temperature range
- 3-year product warranty
Applications
- Household
- Building automation
- IoT
- Industrial
Videos
Dimensions
