Vishay / Sfernice LTO 150 Clip-Mount Power Resistors
Vishay / Sfernice LTO 150 Clip-Mount Power Resistors are AEC-Q200 qualified and offer a 150W power rating and tolerance ratings of ±1%, ±2%, ±5%, and ±10%. These power resistors feature a broad resistance range of 0.03Ω to 1.3MΩ, a non-inductive design, and are designed for clip mounting. Vishay / Sfernice LTO 150 Clip-Mount Power Resistors have an operating temperature range of -55°C to +175°C, a TO-247 package, and UL 94V-0 material.Features
- Direct mounting ceramic on a heatsink
- Non-inductive
- Broad resistance range
- Designed for clip mounting
- Compact and easy to mount
Specifications
- AEC-Q200 qualified
- 150W power rating
- ±1%, ±2%, ±5%, and ±10% tolerance ratings
- 150W at +45°C case temperature, heatsink mounted
- 0.03Ω to 1.3MΩ resistance range
- TO-247 package
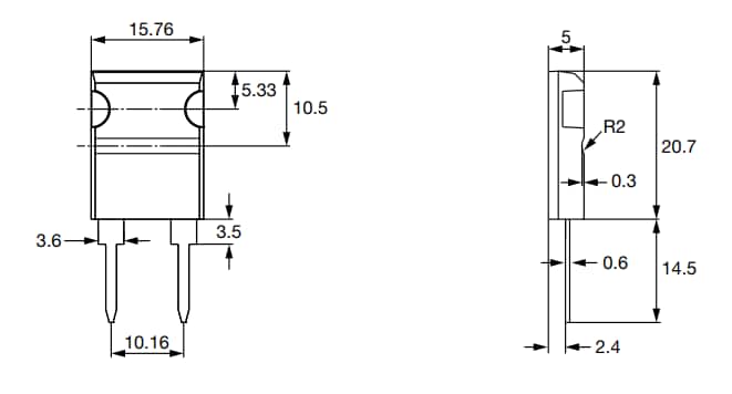
Dimensions (MM)
Đã phát hành: 2022-10-13
| Đã cập nhật: 2025-04-14
