Vishay MGDT Miniaturized Gate Drive Planar Transformers
Vishay MGDT Miniaturized Gate Drive Planar Transformers are available in surface-mount or through-hole terminations. These transformers occupy 40% less board space and offer a 33% lower profile than traditional bobbin and toroidal winding technology. MGDT transformers deliver both MOSFET and IGBT gate power and timing signals simultaneously. These transformers drive MOSFETs/IGBTs on buses up to 1200V and are designed to provide excellent rise time, overshoot, and peak current characteristics. The MGDT transformers come in a low-profile planar package for multiband operations. These transformers offer 8mm minimum creepage and clearance from drive to the gates. These withstand high transient voltages. The LM and SM versions of these MGDT transformers are RoHS-complaint. These audio and signal transformers feature through-holes and surface-mount terminals. Vishay MGDT Miniaturized Gate Drive Planar Transformers operate at -55°C to +125°C temperature range and can be stored at -55°C to +130°C.Features
- Delivers MOSFET/IGBT gate power and timing signals simultaneously
- Directly drive high side MOSFETs/IGBTs on buses up to 1200V
- Excellent rise time, overshoot, and peak current characteristics
- 8mm minimum creepage and clearance from drive to gates
- Low profile planar package
- Both LF and SM versions are RoHS compliant
Specifications
- Dielectric withstand voltage
- 3750VAC drive to gate voltage
- 2500VAC gate to gate voltage
- 100kHz to 500kHz operating frequency range
- -55°C to +125°C continuous operating temperature range
Additional Resources
Infographic
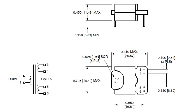
Dimensions
Đã phát hành: 2018-03-20
| Đã cập nhật: 2023-09-05
