Vishay General Semiconductor SE60N3x Surface-Mount Standard Rectifiers
Vishay General Semiconductor SE60N3x Surface-Mount Standard Rectifiers are AEC-Q101 qualified, ideal for automated replacement, and offer ESD capability. These rectifiers provide leadless DFN packages with side-wettable flanks suitable for customer Automatic Optical Inspection (AOI). The SE60N3x surface mount standard rectifiers have a single configuration and SMD/SMT mounting style. These rectifiers feature a low-profile package with a typical height of 0.88mm. The SE60N3x rectifiers operate at -55°C to 175°C junction temperature range and 980mV forward voltage and are halogen-free and RoHS-compliant. These rectifiers are used in industries, automotive applications, and power line polarity protection.Features
- Low-profile package - typical height of 0.88mm
- Leadless DFN package with side-wettable flanks suitable for customer AOI (Automatic Optical Inspection)
- Ideal for automated replacement
- Oxide planar chip junction
- Low forward voltage drop
- Typical IR less than 0.1μA
- ESD capability
- Meets MSL level 1, per J-STD-020, LF maximum peak of 260°C
- AEC-Q101 qualified available
- Automotive ordering code: base P/NHM3
- Halogen-free and RoHS-compliant
Specifications
- -55°C to 175°C junction and storage temperature range
- 980mV forward voltage
- 80A maximum surge current
- 18µA reverse current
- 400V reverse voltage
- 6A forward current
Applications
- General purpose
- Power line polarity protection
- Rail-to-rail protection in consumer
- Industrial
- Automotive
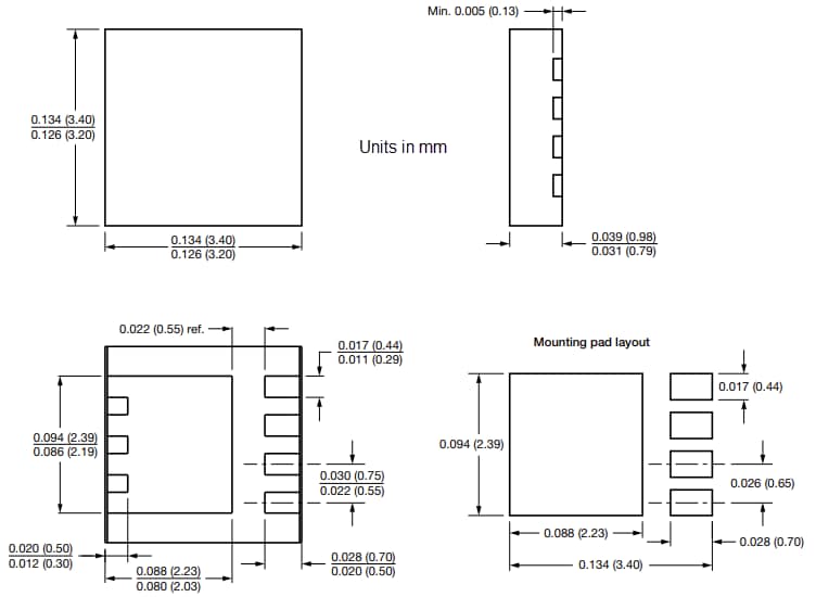
Dimension Diagram
Đã phát hành: 2024-02-29
| Đã cập nhật: 2024-12-10
