Vishay Semiconductors Gen 5 600V Hyperfast & Ultrafast Rectifiers
Vishay Semiconductors Gen 5 600V Hyperfast and Ultrafast Rectifiers provide a unique combination of low conduction and switching losses. The rectifiers are intended to increase the efficiency of high-frequency converters and soft-switched or resonant designs. The Gen 5 600V Hyperfast and Ultrafast Rectifiers are isolated from the copper base plate in the SOT-227 package, facilitating the building of common heatsinks and compact assemblies.The Vishay Semiconductors Gen 5 600V hyperfast and ultrafast rectifiers are specifically designed to improve the efficiency of PFC and output rectification stages of EV / HEV battery charging stations, booster stage of solar inverters, and UPS applications. These devices are perfectly matched to operate with MOSFETs or high-speed IGBTs.
Features
- Ultrafast and optimized Qrr
- Best-in-class forward voltage drop and switching losses trade-off
- Optimized for high-speed operation
- 175°C maximum operating junction temperature
- Electrically isolated base plate
- Large creepage distance between the terminal
- Simplified mechanical designs, rapid assembly
- Designed and qualified for industrial level
- UL pending
Applications
- PFC and output rectification stages for EV/HEV battery charging stations
- Booster stages for solar inverters
- UPS
Circuit Configuration
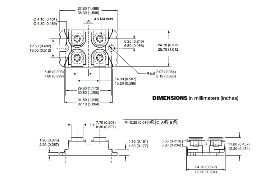
Dimensions
Related Content
Đã phát hành: 2022-09-30
| Đã cập nhật: 2022-10-11
