Wolfspeed 25W Auxiliary Power Flyback Evaluation Platform
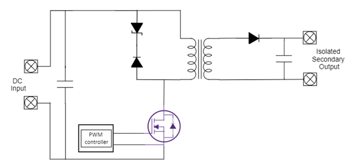
Wolfspeed 25W Auxiliary Power Flyback Evaluation Platform (KIT-CRD-025DD17P-J) demonstrates the use of 1700V silicon carbide (SiC) MOSFETs in a single switch flyback configuration. This Wolfspeed kit, provided in a flexible design, can be used to evaluate and optimize the performance of the flyback converter, SiC MOSFET, and transformer. The utilized C3M00900170x MOSFET family has a wide 12V to 18V operating gate-source voltage range, making the kit an easy and low-cost drop-in compatible with existing Si or SiC single-switch designs. This primary side regulated converter (with auxiliary winding) eliminates the need for an opto-coupler and provides a space- and cost-optimized solution for all industrial applications like solar inverters, EV charging, motor drives, HVAC applications, and more.Features
- Fully assembled
- Utilizes a C3M00900170x MOSFET with a wide 12V to 18V operating gate-source voltage range
- Wide 60VDC to 1000VDC input voltage range
- 25W maximum output power
- 15V regulated output voltage
- Option to add and use 2x secondary outputs
- Single switch flyback configuration
- Easy to use with ample test points
- High-efficiency
- Space- and cost-optimized solution
Applications
- Solar inverters
- EV charging
- Motor drives
- Heat pumps and air conditioning
- Energy-storage systems
Single-Switch Flyback Topology
Dimensions
Đã phát hành: 2025-08-28
| Đã cập nhật: 2025-09-02
